MACH3 Motion Controller USB MACH3 100Khz Motion Controller Card Board for CNC Engraving Stepper Motor Driver Board
54.59 23.46 $

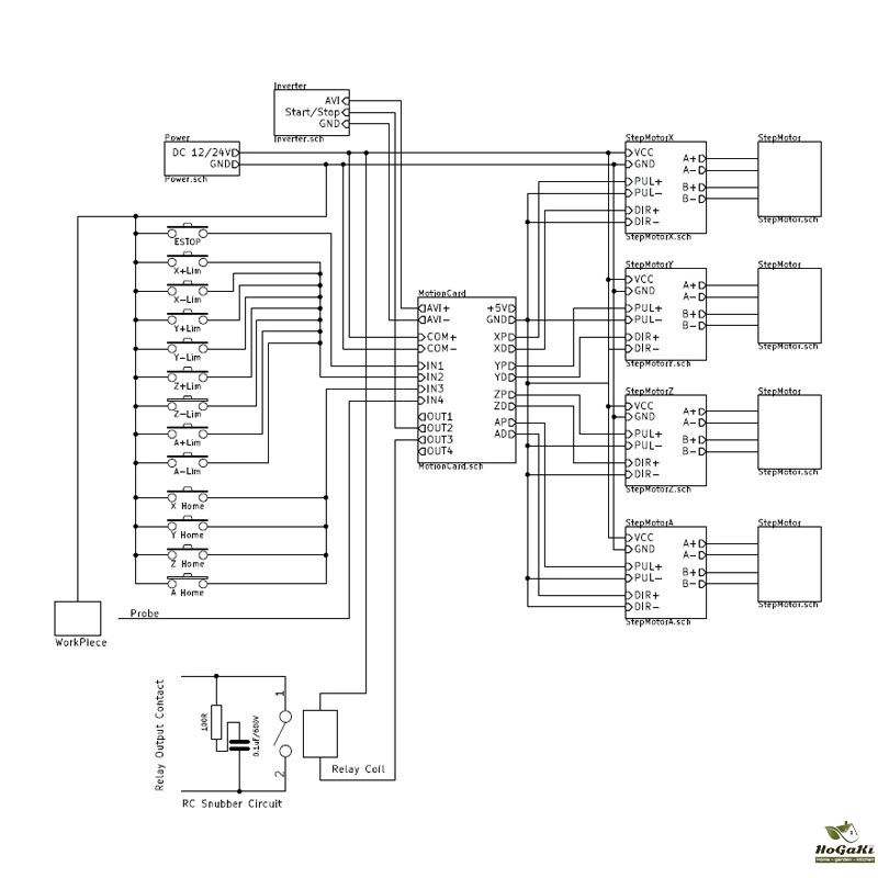
Description
1. Comaptible with MACH3 software.
2. Support windows XP, WIN7, WIN8, WIN10, support tablet computers, as well as 64-bit systems.
3. External wide voltage input, 12-24V, and anti-reverse connection function.
4. All input signals are isolated by optical coupling, which can be connected to emergency stop, tool setting, limit, return to zero, etc., to ensure computer safety.
5. It provides 0-10V analog voltage output isolated by optocoupler, and can control the frequency converter input by 0-10V analog voltage to control the spindle speed.
6. Provide PWM output (5V level) isolated by optocoupler to control other PWM controlled spindle speed controllers.
7. Provide 4 output ports (5V level), which can be connected to a relay module with optocoupler to control water cooling, spray, etc.
8. It can be connected to a stepping motor driver with a common anode or common cathode input, a level of 5V, and an optocoupler input.
9. At the same time, a 5-axis interface cable socket (HX2.54) is provided, which is convenient for connecting the stepper motor driver.
Set inverter
1. Set the inverter to external terminal start.
2. Set the frequency control mode of the inverter to analog (0-10V) input control.
Quickly set up the inverter
1. The inverter does not need to be connected to the interface board first.
2. Short-circuit the FWD and COM of the inverter, and short-circuit the 10V and VI of the inverter. Connect the spindle. (Of course, it is better to connect the potentiometer to the 10V, VI and GND of the inverter according to the figure).
3. Power on, if the inverter can run at the maximum speed and the spindle rotates normally, it basically means that the setting is correct. (If a potentiometer is used, the speed is adjustable).


We are proud to offer international shipping services that currently operate in over 200 countries and islands world wide. Nothing means more to us than bringing our customers great value and service. We will continue to grow to meet the needs of all our customers, delivering a service beyond all expectation anywhere in the world.
Packages from our warehouse in China will be shipped by ePacket or EMS depending on the weight and size of the product. Packages shipped from our US warehouse are shipped through USPS.
Yes. We provide free shipping to over 200 countries around the world. However, there are some location we are unable to ship to. If you happen to be located in one of those countries we will contact you.
We are not responsible for any custom fees once the items have shipped. By purchasing our products, you consent that one or more packages may be shipped to you and may get custom fees when they arrive to your country.
If you can't find the estimated delivery time on the product detail page, you can look at the following table for reference.
Shipping time varies by location. These are our estimates:
| Location | *Estimated Shipping Time |
|---|---|
| United States | 7-25 Business days |
| Canada, Europe | 10-30 Business days |
| Australia, New Zealand | 10-30 Business days |
| Mexico, Central America, South America | 15-30 Business days |
Yes, you will receive an email once your order ships that contains your tracking information, but sometimes due to free shipping tracking is not available.
For some shipping companies, it takes 2-5 business days for the tracking information to update on the system.
For logistical reasons, items in the same purchase will sometimes be sent in separate packages, even if you’ve specified combined shipping.
If you have any other questions, please contact us and we will do our best to help you out.
Thank you for your interest doing business with us!
If you would like to get a discounted price for your large purchase orders, fill in the required blanks along with your email address, the product Item ID # and/or the link of the item that you want to order, item quantity (minimum of 30 pieces), shipping country and payment method is required. We will contact you with a discounted price as soon as we receive your inquiry.© 2017-2025 HOGAKI.COM - Home, Garden & Kitchen store.